Software and Documents

Documents

Some documents were offered by Apple Computer. If you would like to get your hands on them, you may find some scanned documents.

Please be careful when buying supposedly original manuals. Ask an expert for their opinion. There are various reproductions, including so-called 'perfect copies.' Due to modern production processes, these manuals have a much higher print quality than the originals from 1976 and 1977 and are therefore not perfect copies, but imitations. Good copies/imitations are pleasing for Apple-1 fans, as long as there are no legal issues involved. These manuals are sometimes offered at high prices. Of course, out of greed for money, third parties try to improve the imitations so they pass as originals.


Apple-1 Operation Manual

See the complete Apple-1 Operation Manual.

Two different versions/generations exist:
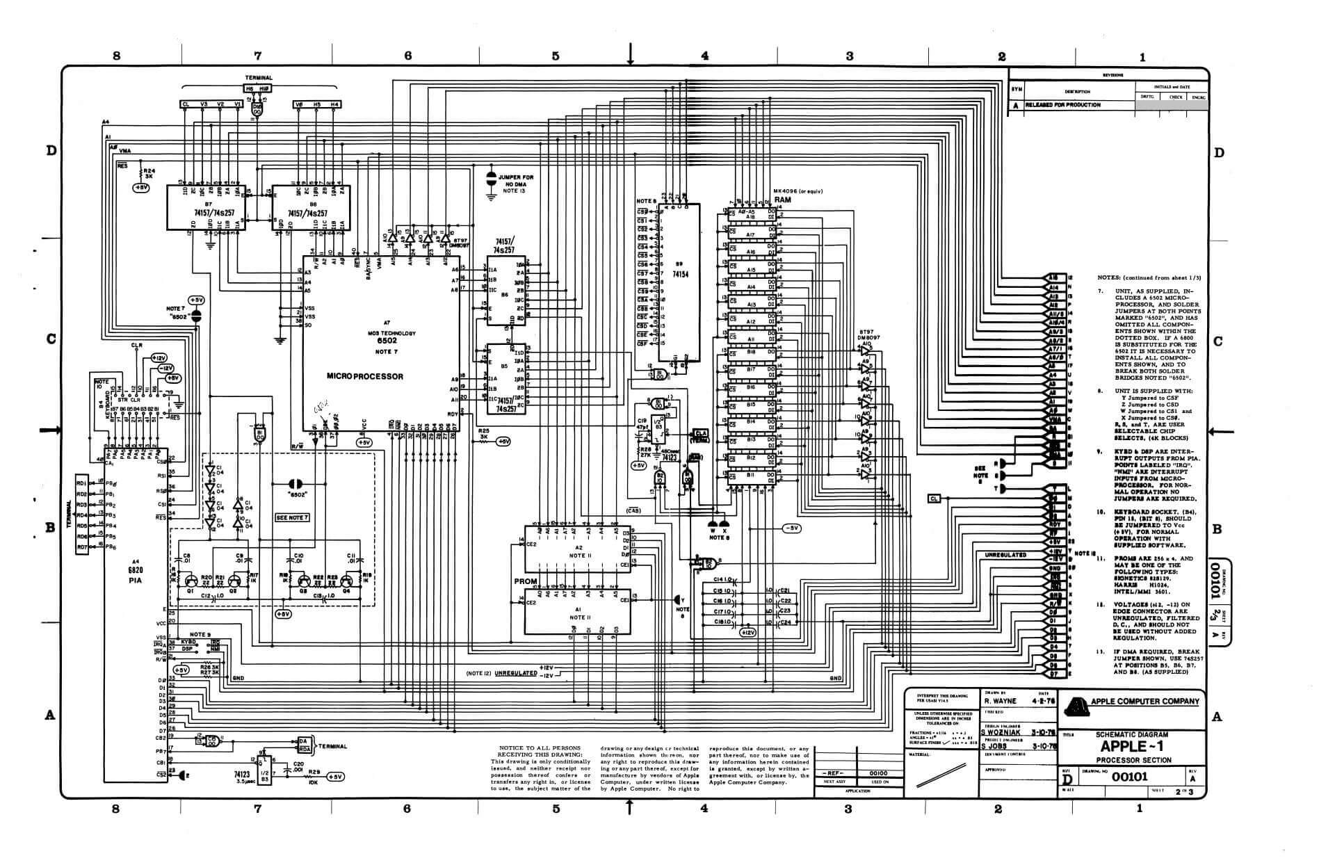
  1. Brochures with the first Apple Computer logo (Newton under the apple tree) printed on thick paper with a yellow tint. Including fold-out schematics of the Apple-1.
  2. Tan manuals stacked together in the left corner. On the front, the Apple logo. The manuals contain fold-out schematics of the Apple-1.


Apple-1 Cassette Interface Manual

See the complete Apple-1 Cassette Interface Manual.


BASIC Manual

See the complete Apple-1 Preliminary Basic Manual.

Two different versions/generations exist:
  1. Preliminary manuals with the first Apple Computer logo (Newton under the apple tree) on white paper, stacked together in the left corner. Mostly comes with a green/blue first page.
  2. Tan manuals stacked together in the left corner. On the front, the Apple logo. The manuals contain fold-out schematics of the Apple-1.


Apple-1 price list

The Apple-1 was listed in the official Apple Computer price list of April 1977. It was a single sheet. The price was reduced to US$475 for 4 KB and US$575 for 8 KB.
The Apple-1 had to compete with the vastly superior Apple II at that time. Its only advantage over the Apple II was its low price.



Apple-1 advertisement

A handout and and two different ads in computer magazins (SCC Interface, Interface Age and Kilobaud) exist.
See the Apple-1 ads.

Apple-1 ads are found for example in the magazines
SCCS Interface July and September 1976,
Interface Age September, October, Novemeber, December 1976 and January, February 1977,
Kiloboud February, March and April 1977 etc.



Apple-1 product information

Preliminary leaflet with some product information.
Both images with kind permission of David Larsen.



Articles in magazines

Apple article Apple and some computer shops had placed advertisements since July 1976. Some newspaper articles have been published.
Read the article Comparing apples and oranges in the Interface Age July 1976 page 91.



Apple article The new computer magazine Kilobaud published another article in February 1977.
Read the article The remarkable Apple computer in the Kilobaud magazine February 1977 pages 34-38.



Steve Jobs article Steve Jobs wrote an article about how to use the SwTPC PR-40 printer with an Apple-1.
Read the article Interfacing the Apple computer in the Interface Age October 1976 from page 65.



In the magazine '73 Amateur Radio' December 1976 was an article about the Apple-1 on pages 70-71. Read the article here.

Steve Wozniak published several articles as well.



Exhibitions

First presentations happened at the Homebrew Computer Club.
At the PC-76 show in Atlantic City Apple was present.
At the First West Coast Computer Faire Apple had a stand and was successful in selling computers. First West Coast Computer Faire First West Coast Computer Faire




Zaltair prank

Zaltair was a prank pulled off by Steve Wozniak. A very young Adam Schoolsky (later an Apple employee) helped him execute it at the West Coast Computer Faire. Of course, the Zaltair was a non-existent computer. It was a parody of the fictional MITS computer compared with many other computers.

Steve Wozniak loves jokes and pranks. At the First West Coast Computer Faire (1977), he distributed many copies of a handout advertising the fictional computer called Zaltair. Woz wrote that he had 20,000 copies. Only a few still exist. MITS, the company that built the Altair, obviously didn't like this brochure very much.

Woz didn't tell Steve Jobs about this prank. He wrote in an article for the 'Digital Deli' that he told Steve Jobs the whole story four or five years later at dinner. Woz gave Jobs, maybe 6 or more years later, a framed handout as a birthday gift.

Fun fact: If you take the first letter of every word in the fictional quote on the front page, you get 'Processor Technology'.




Others

Apple letter Some other Apple-1 related documents exist, such as bills, letters, and postcards from Apple Computer. Product information for the Apple-1 and Apple II also exists.
A few bills still exist; these bills are handwritten.
The Apple-1 and the young Apple Computer company were featured in some computer magazines.
A one-of-a-kind Apple-1 related document is the Apple Computer contract. Every founder has one, and Ron Wayne sold his.
Later in history, numerous books and articles were written about the Apple-1 and the young Apple Computer company.
Many can be found in your favorite bookstore in multiple languages.



Apple Company docs

Some Apple Company docs are interesting for anyone:
Apple Computer Company Partnership Agreement 1976 (preseved by David T. Craig)
Articles of incorporation of Apple Computer Jan 1977



Books

Many books about Apple, Steve Wozniak, and Steve Jobs exist. Here are just a few that have information about the Apple-1 and the early years of Apple. We do not link to Amazon, etc., to get commissions (this website is non-profit). Some books are available online; others you can get from your favorite bookseller.

Book Read the book The Little Kingdom by Michael Moritz here.

Book Read the book Return to the Little Kingdom by Michael Moritz here.

Book Read the book Apple Confidential by Owen W. Linzmayer here.

Book Read the book Apple Confidential 2.0 by Owen W. Linzmayer here.

Book Read the book iWoz by Gina Smith here.




Software

Cassette Only a handful of original software titles for the Apple-1 exist. Apple Computer itself had only a few cassettes to offer. Today, it is much more convenient to use a music player instead of a cassette player.
All software for the Apple-1 can be found as sound files. You can record those files onto tapes or use a modern music player.


Apple-1 Software

Apple-1 software was stored on cassettes tapes. Today many Apple-1 user use moden music player. Therefore the software is saved as an audio file.
Software available by Apple in 1976:
BASIC
Blackjack
Disassembler (PDF with source code)
Extended Monitor
Hamurabi
Mastermind
Lunar Lander
StarTrek

Other software for the Apple-1:
Apple 30th years graphics demo
Chess
AceyDucey
Apple-1 Enhanced Checkers
Bowling
Buzzword
Craps
Deal or No Deal
Football
HiLo
Life
Lunar Lander (ASCII Graphics)
Microchess
Pasart
Slots
StarTrek 2003
WordCross
Wumpus

Newer games:
15 puzzle game (audio file and source code)
2048 (audio file and source code)

Other sources for Apple-1 software are:
Apple-1 software at archive.org
Apple-1 software at Mike Willegal's website
Article about WOZ writing BASIC from the scratch
Memory test by Mike Willegal
Using the Woz Monitor (PROMs)
Sourcecode of the Woz Monitor (PROMs)
Try this Apple-1 Emulator! You can even load programs, but you need some knowledge of how to use the Apple-1.

How to?
To use software, you have to load it from a cassette or music player by typing the command C100R on your Apple-1. Next, you have to type an individual code to start the program. Type the code, start the cassette or music player, and hit enter. You need patience because it takes some time to load. The last step is to type a code to start the program.
For example, to start BASIC, you have to enter E000.EFFF. This will load the software. After loading, type E000R.
For the game Star Trek, you must start BASIC and type E000R.


You can link to the Apple-1 Registry. Any form of reprint or reproduction (including excerpts) only with written permission of the Apple-1 Registry. Here you find press releases and images free to use under CC BY-SA 4.0.